Gelesen wird ein Schaltplan mit der WENN-DANN-METHODE.
Von der Ursache zur Wirkung oder eben andersrum.
Bei einem Einfachen Stromkreis also wie folgt:
Wenn Spannung im Stromkreis anliegt, dann leuchtet die Lampe.


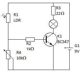
Funktion der Alarmanlage:
A) kein Licht fällt auf den LDR:
Funktion der Alarmanlage:
B) Licht fällt auf den LDR:


Eine weitere "einfache" Schaltung ist die sogenannte Dunkelschaltung (oder Dämmerungschaltung).
Der LDR ist hierbei der Sensor. Dieser schaltet den Transistor und somit die LED.
Die Schaltung ist dabei in drei Bereiche gegliedert.
1. Signal erfassen (Eingabe)
2. Signal verarbeiten (Verarbeitung)
3. Signal ausgeben (Ausgabe)
Schaltungen arbeiten also nach dem sogenanten EVA-Prinzip.



Aufgabe
1. Nenne die Bauteile der Dunkelschaltung.
2. Erstelle eine Tabelle und teile die Bauteile nach dem EVA Prinzip ein.
3. Erkläre die Funktion der Dunkelschaltung mit der Wenn-Dann-Methode.
Die Hellschaltung (Ostfriesenlampe) hat fast die identischen Bauteile wie die Dunkelschaltung.
Auch hier erfolgt das Ein- und Ausschalten der Lampe automatisch mit der elektronischen Schaltung.
Funktionsprinzip:
Am Gehäuse, möglichst unscheinbar und genau unter der Lampe (oder LED) verbirgt sich ein LDR. Dieser wird so abgedunkelt, dass er nur dann seinen Widerstand ändert, wenn unmittelbar Licht auf den LDR fällt.
DIe weiteren Widerstände und der Transistor sind im Gehäuse verbaut. Der Poti ist von außen verstellbar. Die 9 Volt Blockbatterie sollte ohne große Umstände gewechselt werden können.
Lampe einschalten:
Im ausgeschalteten Zustand hat der LDR einen hohen Widerstand.
Soll die Lampe (oder LED) leuchten, so beleuchtet man den lichtempfindlichen Widerstand.
Dazu verwendet man eine Taschenlampe, Feuerzeug oder ein Streichholz.
Der Widerstand am LDR sinkt und die Basis-Emitter-Spannung steigt.
Dadurch schaltet der Transistor durch und die Lampe leuchtet.
Lampe ausschalten:
Die frei hängende Lampe muss sich nur etwas vom LDR wegbewegen.
Dazu genügt es, wenn die Lampe angepustet wird.
Dadurch wird der Widerstand am LDR wieder rasch größer und der Transistor sperrt.


Aufgabe:
Konstruiere anhand des Schaltplans oben (Hellschaltung) eine Ostfriesenlampe.
Orientiere dich dabei an den Bewertungskriterien.
Sollte deine Schaltung nicht auf Anhieb funktionieren, kann das mehrere Ursachen haben. Prüfe die folgenden Punkte an deiner Schaltung:
Möglicherweise ist das Prüfen mit dem Multimeter erforderlich. Achte beim Messen mit dem Multimeter stets darauf, dass du mit der größten Einheit beginnst.


Stückliste:
P1 Trimmer 100KOhm
R1/2 Widerstand 6,8KOhm
R3 Widerstand 1,8KOhm
C1 Elko 220 MF
T1/2 NPN Transistor BC-547C
Glühlampe 3,8V/0,07A